UNIDENTIFIED
MCGP-1
|
Category |
Video |
|
Video Types Supported |
CGA |
|
Video Processor |
Unidentified |
|
Highest Resolution Supported |
640 x 200 |
|
Data Bus Type |
8-bit ISA |
|
Memory Type |
DRAM |
|
Maximum Onboard Memory |
Unidentified |

|
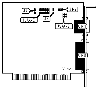
CONNECTIONS |
|||
|
Purpose |
Location |
Purpose |
Location |
|
9-pin digital video port |
CN1 |
Parallel port |
CN8 |
|
Composite video connector - internal |
CN2 |
|
|
|
COMPOSITE DISPLAY MODES |
|||||||
|
Setting |
J1 |
J5/jumper A |
J5/jumper B |
J5/jumper C |
J5/jumper D |
J5/jumper E |
|
|
» |
Color |
1 & 2 closed |
1 & 2 closed |
1 & 2 closed |
2 & 3 closed |
2 & 3 closed |
1 & 2 closed |
|
» |
Mono |
2 & 3 closed |
1 & 2 closed |
1 & 2 closed |
2 & 3 closed |
1 & 2 closed |
2 & 3 closed |
|
CLOCK FREQUENCY - J3 |
|||
|
Setting |
Jumper A |
Jumper B |
|
|
» |
For composite/RGB monitor |
Closed |
Open |
|
» |
For TTL monochrome monitor |
Open |
Closed |
|
RGB/TTL DISPLAY MODES - J5 |
||||||
|
Setting |
Jumper A |
Jumper B |
Jumper C |
Jumper D |
Jumper E |
|
|
» |
RGB color |
1 & 2 closed |
1 & 2 closed |
1 & 2 closed |
2 & 3 closed |
1 & 2 closed |
|
TTL monochrome |
2 & 3 closed |
1 & 2 closed |
1 & 2 closed |
1 & 2 closed |
1 & 2 closed |
|
|
PARALLEL PORT |
||
|
Setting |
J4 |
|
|
» |
Enabled |
Pins 1 & 2 closed |
|
Disabled |
Pins 2 & 3 closed |
|