UNIDENTIFIED
2400BS MODEM
|
Card Type |
Modem (asynchronous) |
|
Chip Set |
Unidentified |
|
Maximum Data Rate |
2400bps |
|
Data Bus |
8-bit ISA |
|
Data Modulation Protocol |
Bell 103/212A ITU-T V.21, V.22, V.22bis |

|
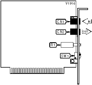
CONNECTIONS | ||||||
|
Function |
Label |
Function |
Label | |||
|
Line in |
CN1 |
Volume |
R1 | |||
|
Line out |
CN2 | |||||
|
SERIAL PORT ADDRESS AND INTERRUPT | |||
|
Setting |
Setting |
SW1/1 |
SW1/2 |
|
COM1 (3F8h) |
IRQ 4 |
On |
On |
|
COM2 (2F8h) |
IRQ 3 |
Off |
On |
|
COM3 (3E8h) |
IRQ 4 |
On |
Off |
|
COM4 (2E8h) |
IRQ 3 |
Off |
Off |
Proprietary AT Command Set
|
BIT-MAPPED REGISTER S14 | ||
|
Format |
AT [cmds] S14=n [cmds] | |
|
Default: |
170 | |
|
Range: |
0-174 | |
|
Unit: |
Bit-mapped | |
|
Description: |
Controls echo, result codes and display, dial mode, and answer/originate mode. | |
|
Bit |
Value |
Function |
|
0 |
0 |
Not used |
|
1 |
0 í 1 |
Command echo disabled Command echo enabled |
|
2 |
í 01 |
Result codes enabled Result codes disabled |
|
3 |
0 í 1 |
Display result codes in numeric format Display result codes in verbose format |
|
4 |
0 |
Not used |
|
5 |
0 í 1 |
Tone dial enabled Pulse dial enabled |
|
6 |
0 |
Not used |
|
7 |
0 í 1 |
Answer mode enabled Originate mode enabled |
|
BIT-MAPPED REGISTER S21 | ||
|
Format |
AT [cmds] S21=n [cmds] | |
|
Default: |
48 | |
|
Range: |
0-252 | |
|
Unit: |
Bit-mapped | |
|
Description: |
Selects CTS/DCD/DSR signals, low DTR action, and the long space disconnect function. | |
|
Bit |
Value |
Function |
|
1, 0 |
0 |
Not used |
|
2 |
í 01 |
CTS follows RTS CTS forced high |
|
4, 3 |
00 01 í 1011 |
DTR signal ignored Modem goes to command mode on low DTR Modem disconnects on low DTR; Auto-Answer is disabled. Modem is initialized on low DTR |
|
5 |
0 í 1 |
DCD forced high DCD normal |
|
6 |
í 01 |
DSR forced high DSR normal |
|
7 |
í 01 |
Long space disconnect function disabled Long space disconnect function enabled |
|
BIT-MAPPED REGISTER S22 | ||
|
Format |
AT [cmds] S22=n [cmds] | |
|
Default: |
118 | |
|
Range: |
0-255 | |
|
Unit: |
Bit-mapped | |
|
Description: |
Controls speaker volume and controls, limits results codes, and make/break ratio. | |
|
Bit |
Value |
Function |
|
1, 0 |
00 01 í 1011 |
Off volume Low level volume Medium level volume High level volume |
|
3, 2 |
00 í 0110 11 |
Speaker off Speaker off on carrier Speaker always on Speaker on during handshake |
|
6, 5, 4 |
000 100 101 110 í 111 |
Basic result codes only enabled Basic and connection speed result codes enabled Basic and connection speed result codes and dialtone detection enabled All result codes except dialtone detection enabled All result codes enabled |
|
7 |
í 01 |
39/61ms at 10pps (North America) 33/67ms at 10pps (Europe) |
|
BIT-MAPPED REGISTER S23 | ||
|
Format |
AT [cmds] S23=n [cmds] | |
|
Default: |
6 | |
|
Range: |
0-183 | |
|
Unit: |
Bit-mapped | |
|
Description: |
Grants/denies remote digital loopback, controls DTE rate and parity, and sets guard tone. | |
|
Bit |
Value |
Function |
|
0 |
í 01 |
Remote digital loopback denied Remote digital loopback allowed |
|
2, 1 |
00 10 í 11 |
Sets serial port speed to 0-300bps Sets serial port speed to 1200bps Sets serial port speed to 2400bps |
|
3 |
0 |
Not used |
|
5,4 |
í 0001 10 11 |
Parity even Space Parity Parity odd Mark Parity |
|
7, 6 |
í 0001 10 |
Guard tone disabled Guard tone 550Hz enabled Guard tone 1800Hz enabled |
|
BIT-MAPPED REGISTER S27 | ||
|
Format |
AT [cmds] S27=n [cmds] | |
|
Default: |
64 | |
|
Range: |
0-68 | |
|
Unit: |
Bit-mapped | |
|
Description: |
Selects line type, and ITU-T/Bell modes. | |
|
Bit |
Value |
Function |
|
1, 0 |
0 |
Not used |
|
2 |
í 01 |
Switched line Leased line |
|
5 - 3 |
0 |
Not used |
|
6 |
0 í 1 |
ITU/T mode Bell mode |
|
TEST MODES | ||
|
Format |
AT [cmds] S16=n [cmds] | |
|
Default: |
0 | |
|
Range: |
0-125 | |
|
Unit: |
Bit-mapped | |
|
Description: |
Controls loopback tests, analog, digital, remote digital, and self tests. | |
|
Bit |
Value |
Function |
|
0 |
í 01 |
Local analog loopback not in progress Local analog loopback in progress |
|
1 |
0 |
Not used |
|
2 |
í 01 |
Local digital loopback not in progress Local digital loopback in progress |
|
3 |
í 01 |
Modem not in remote digital loopback Remote digital loopback in progress |
|
4 |
í 01 |
Remote digital loopback not requested Remote digital loopback requested |
|
5 |
í 01 |
Remote digital loopback w/ self-test not in progress Remote digital loopback w/ self-test in progress |
|
6 |
í 01 |
Local analog loopback w/ self-test not in progress Local analog loopback w/ self-test in progress |