NEWCOM, INC.

33600 IFX INTERNAL

Card Type

Modem (asynchronous/synchronous)

Chipset

Rockwell

Maximum Data Rate

33.6Kbps

Maximum Fax Rate

14.4Kbps

Data Modulation

Bell 103A/212A

ITU-T V.21, V.22, V.22bis, V.23, V.32, V.32bis, V.34

Rockwell V.FC

Fax Modulation

ITU-T V.17, V.21CH2, V.27ter, V.29

Error Correction/Compression

MNP5, MNP10, V.42, V.42bis

Fax Class

Class II

Data Bus

8-bit ISA

Card Size

Full height, one-third length

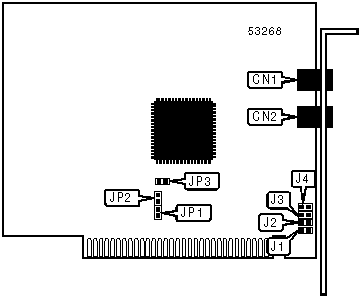
CONNECTIONS

Function

Label

Function

Label

Telephone line

CN1

Telephone line

CN2

BASE I/O ADDRESS SELECTION

Setting

J3

J4

3F8h (COM1:)

Closed

Closed

2F8h (COM2:)

Closed

Open

3E8h (COM3:)

Open

Closed

2E8h (COM4:)

Open

Open

INTERRUPT SELECTION

Setting

J1

J2

JP1

JP2

JP3

2

Open

Open

Open

Open

Closed

3

Closed

Open

Open

Open

Open

4

Open

Closed

Open

Open

Open

5

Open

Open

Closed

Open

Open

7

Open

Open

Open

Closed

Open

SUPPORTED STANDARD COMMANDS

Basic AT Commands

+++, ‘comma’, A/

A, E, H, L, M, N, O, P, Q, T, V, W, X, Y, Z

&C, &D, &F, &G, &J, &K, &L, &M, &P, &Q, &R, &S, &T, &V, &W, &X, &Y, &Z

Extended AT Commands

\A, \B, \J, \K, \L, \N

%C, %E, %L, %Q, %TT

Special AT Commands

+MS

S-Registers

S0, S1, S2, S3, S4, S5, S6, S7, S8, S9, S10, S11, S12, S14, S16, S18, S21, S22, S23, S24, S25

S26, S27, S29, S30, S31, S32, S33, S36, S38, S39, S46, S48, S82, S86, S91, S92, S95

Note: See MHI help file for complete information.

Proprietary AT Command Set

AUTOSYNC OPTIONS

Type:

Register

Format

AT [cmds] S19=n [cmds]

Default:

26

Range:

0 - 30

Description:

Controls autosync protocol, HDLC address detection, bit coding, and HDLC idle.

Bit

Value

Function

0

0

Not used

1

0

í 1

Binary synchronous protocol used.

HDLC protocol used.

2

í 0

1

HDLC address detect disabled.

HDLC address detect enabled.

3

0

í 1

NRZI bit coding used.

NRZ bit coding used.

4

0

í 1

HDLC idle sends MARK.

HDLC idle sends FLAG or SYNC.

AUTOSYNC HDLC ADDRESS

Type:

Register

Format:

AT [cmds] S20=n [cmds]

Default:

0

Range:

0-255

Unit:

Unidentified

Description:

Sets the HDLC address and binary synchronous character.

BIT-MAPPED REGISTER S28

Format

AT [cmds] S28=n [cmds]

Default:

0

Range:

0 - 31

Description:

Controls V.23 split speed, transmit/receive speed, half duplex; and pulse dialing, and MNP10 link negotiation.

Bit

Value

Function

0

í 0

1

V.23 split speed operation disabled.

V.23 split speed operation enabled.

1

í 0

1

75bps transmit, 1200bps receive enabled.

1200bps transmit, 75bps receive enabled.

2

0

Not used.

4, 3

í 00

01

10

11

39ms make/61ms break at 10pps.

33ms make/67ms break at 10pps.

39ms make/61ms break at 20pps.

33ms make/67ms break at 20pps.

5

0

Not used.

7, 6

í 00

01

10

MNP10 link will be negotiated at highest possible speed.

MNP10 link will be negotiated at 1200bps.

MNP10 link will be negotiated at 4800bps.

BIT-MAPPED REGISTER S40

Format

AT [cmds] S40=n [cmds]

Default:

107

Range:

0 - 255

Description:

Controls power level and break handling; selects MNP extended services, link negotiation, and block size.

Bit

Value

Function

0

0

í 1

MNP10 disabled.

MNP10 enabled.

1

0

í 1

MNP10 at 2400 and 1200bps disabled.

MNP10 at 2400 and 1200bps enabled.

2

í 0

1

Power level adjustment enabled.

Power level adjustment disabled.

5 - 3

000

001

010

011

100

í 101

\K0 set.

\K1 set.

\K2 set.

\K3 set.

\K4 set.

\K5 set.

7, 6

00

í 01

10

11

MNP block size is 64 characters.

MNP block size is 128 characters.

MNP block size is 192 characters.

MNP block size is 256 characters.

BIT-MAPPED REGISTER S41

Format

AT [cmds] S41=n [cmds]

Default:

131

Range:

128 - 223

Description:

Selects compression, auto-retrain, flow control, and MNP mode.

Bit

Value

Function

1, 0

00

01

10

í 11

Data compression disabled.

MNP5 enabled.

V.42bis enabled.

MNP5 and V.42bis enabled.

6, 2

í 00

01

10

Auto-retrain disabled.

Auto-retrain enabled.

Auto-fallback/fall-forward enabled.

3

í 0

1

Flow control disabled.

Flow control enabled.

4

í 0

1

Stream mode for MNP.

Block mode for MNP.

5

0

Not used.

7

1

Not used.

COMMUNICATION PROTOCOLS

Type:

Configuration

Format:

AT [cmds] Bn [cmds]

Description:

Selects the communication protocol for low-speed data calls.

Command

Protocol

B0

Modem will use ITU-T V.22 at 1200bps.

í B1

Modem will use Bell 212A at 1200bps.

B15

Modem will use ITU-T V.21 at 300bps.

B16

Modem will use Bell 103A at 300bps.

DIAL

Type:

Immediate

Format:

AT [cmds] D<#>;[cmds]

Description:

Dials the telephone number indicated according to any modifiers included in the string.

Command

Function

DL

Re-dial last number.

DP

Pulse dialing enabled.

DR

Answer mode enabled; originate mode disabled following handshake initiation.

DS=n

Dial stored telephone number n.

DT

Tone dialing enabled.

DW

Dialing resumed following dial tone detection.

DIAL (CON'T)

Command

Function

D,

Dialing paused for amount of time specified in S8 register.

D!

Flash function initiated. Modem commanded to go off-hook for specified time before returning on-hook.

D@

Wait for Quiet Answer function enabled. Modem waits until a "quiet answer," a ring-back signal followed by silence up to the time specified in S7, is received prior to executing the rest of the dial string.

D^

Enable calling tone for this call.

D;

Modem returned to idle state after dialing. The semicolon can only be placed at the end of the dial command.

DISPLAY INFORMATION

Type:

Immediate

Format:

AT [cmds] In [cmds]

Description:

Displays information requested about the modem.

Command

Function

I0

Displays product identification code.

I1

Displays ROM checksum.

I2

Tests and displays ROM checksum result.

I3

Displays firmware revision.

I4

Displays product capabilities.

I5

Displays the country code.

I6

Displays the data pump model.

LINE SPEED

Type:

Register

Format

AT [cmds] S37=n [cmds]

Description:

Sets the maximum connect speed attempted during handshake process.

Command

Function

í S37=0

Attempt to connect at speed of last AT command.

S37=1

Attempt to connect at 300bps.

S37=2

Attempt to connect at 300bps.

S37=3

Attempt to connect at 300bps.

S37=5

Attempt to connect at 1200bps.

S37=6

Attempt to connect at 2400bps.

S37=7

Attempt to connect with V.23 at 1200/75bps.

S37=8

Attempt to connect at 4800bps.

S37=9

Attempt to connect at 9600bps.

S37=10

Attempt to connect at 12Kbps.

S37=11

Attempt to connect at 14.4Kbps.

S37=12

Attempt to connect at 7200bps.