CARDINAL TECHNOLOGIES, INC

9600BPS V.32BIS DIGITAL

Card Type

Modem

Chip Set

Unidentified

I/O Options

Line in, line out

Maximum Modem Rate

9600bps

Maximum Fax Rate

9600bps

Data Modulation Protocol

Bell 103/212A

ITU-T V.21, V.22, V.22bis, V.32

Fax Modulation Protocol

ITU-T V.21 CH 2, V.27ter, V.29

Error Correction/Compression

MNP5, V.42, V.42bis

Fax Class

Class I & II

Data Bus

8-bit ISA

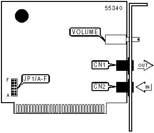
CONNECTIONS

Function

Label

Function

Label

Line out (RJ-11)

CN1

Line in (RJ-11)

CN2

SERIAL PORT ADDRESS

Setting

JP1/A

JP1/B

COM1 (3F8h)

Closed

Closed

» COM2 (2F8h)

Open

Closed

COM3 (3E8h)

Closed

Open

COM4 (2E8h)

Open

Open

INTERRUPT

Setting

JP1/C

JP1/D

JP1/E

JP1/F

IRQ2

Open

Open

Open

Closed

» IRQ3

Open

Closed

Open

Open

IRQ4

Closed

Open

Open

Open

IRQ5

Open

Open

Closed

Open

 

SUPPORTED COMMAND SET

Basic AT Commands

AT, ‘+++’, A/

A, B, E, H, O, Q, M, V

&C, &F, &V

Extended AT Commands

\N

S Registers

S0, S1, S2, S3, S4, S5, S6, S7, S8, S9, S10, S11, S18, S14, S16, S18

 

Special Commands

Note: Please see MHI Help file for full command documentation.

Proprietary AT Command Set

DATA SET READY (DSR)

Type:

Configuration

Format:

AT [cmds] &Sn [cmds]

Description:

Selects DSR options

Command

Function

í &S0

DSR forced high

&S1

DSR high only while modem is handshaking or connected

DATA TERMINAL READY (DTR)

Type:

Configuration

Format:

AT [cmds] &Dn [cmds]

Description:

Selects modem response to DTR

Command

Function

&D0

DTR ignored

&D1

DTR toggle causes online command mode

í &D2

DTR toggle causes modem to go on-hook

&D3

Modem reset on DTR toggle

DIAL

Type:

Immediate

Format:

AT [cmds] D<#> [cmds]

Description:

Dials telephone number according to any modifiers included in the string

Note:

Any combination of modifiers can be used to produce the desired dial functions in sequence.

Modifier

Function

DP

Pulse dialing enabled

DR

Answer mode enabled, originate mode disabled following handshake initiation

DT

Tone dialing enabled

DW

Dialing resumed following dial tone detection

D,

Dialing paused for amount of time specified in S8 register

D!

Modem commanded to go off-hook for .5 seconds before returning on-hook

D@

Wait for quiet answer

D;

Modem returned to command state after dialing

 

EXTENDED RESULT CODES

Type:

Configuration

Format:

AT [cmds] Wn [cmds]

Description:

Enables selection of additional result codes

Command

Function

W0

Enables CONNECT result codes to report DTE to DCE speed

W1

Enables CONNECT result codes to report error correction

FLOW CONTROL

Type:

Configuration

Format:

AT [cmds] &Kn [cmds]

Description:

Enables flow control options

Command

Function

&K0

Flow control disabled

í &K3

RTS/CTS flow control enabled

&K4

XON/XOFF flow control enabled

&K5

Transparent XON/XOFF flow control enabled

PULSE DIALING RATIO

Type:

Configuration

Format:

AT [cmds] &Pn [cmds]

Description:

Selects pulse dial make/break ratio

Command

Function

í &P0

39/61ms at 10pps (North America)

&P1

33/67ms at 10pps (Europe)

&P2

39/61ms at 20pps

REPORT INFORMATION

Type:

Immediate

Format:

AT [cmds] In [cmds]

Description:

Displays information requested

Command

Function

I0

Reports product code

I1

Reports ROM checksum

I2

Tests and reports ROM checksum

I3

Reports modem capabilities

SELECT CALL PROGRESS RESULT CODES

Type:

Configuration

Format:

AT [cmds] Xn [cmds]

Description:

Enables selection of tone detection and associated result code format options

Command

Function

X0

Busy and dial tone detection disabled; result codes 0 - 4, 8 enabled.

X1

Busy and dial tone detection disabled; result codes 0 - 5, 8 & 10 - 15 enabled.

X2

Busy tone detection disabled, dial tone detection enabled; result codes 0 - 6, 8 & 10 - 15 enabled.

X3

Busy tone detection enabled, dial tone detection disabled; result codes 0 - 8, & 10 - 15 enabled.

í X4

Busy and dial tone detection enabled; result codes 0 - 7 & 10 enabled.

X5

Busy and dial tone detection enabled; result codes 0 - 4, 6 - 8 enabled.

 

SOFT RESET

Type:

Immediate

Format:

AT [cmds] Zn [cmds]

Description:

Restores modem profiles previously saved in non-volatile RAM using the &W command.

Command

Function

Z0

Restore setting

EXTENDED AT COMMAND SET

COMPRESSION

Type:

Configuration

Format:

AT [cmds] %Cn [cmds]

Description:

Selects data compression

Command

Function

%C0

Data compression disabled

%C1

MNP5 enabled

S(status) REGISTERS

DCE LINE SPEED

Type:

Register

Format

AT [cmds] S37=n [cmds]

Description:

Sets the maximum allowable data exchange rate attempted during handshake process.

Command

Function

S37=0

Current DTE rate

S37=1

V.21 at 300bps

S37=2

Bell 103 at 300bps

S37=5

V.22 at 1200bps

S37=6

V.22bis at 2400bps

S37=8

V.32 at 4800bps

S37=9

V.32 at 9600bps