CREATIX POLYMEDIA

SIERRA VOICE 28.8 (EXTERNAL)

Card Type

Fax, Modem (synchronous/asynchronous), Voice

Chip Set

Sierra

I/O Options

Voice

Maximum Data Rate

28.8Kbps

Maximum Fax Rate

14.4Kbps

Data Bus

External

Fax Class

Class I & II

Data Modulation Protocol

Bell 103A/212A

ITU-T V.21, V.22, V.22bis, V.32, V.32bis, V.34

Fax Modulation Protocol

ITU-T V.17, V.21CH2, V.27ter, V.29

Error Correction/Compression

MNP5, V.42, V.42bis

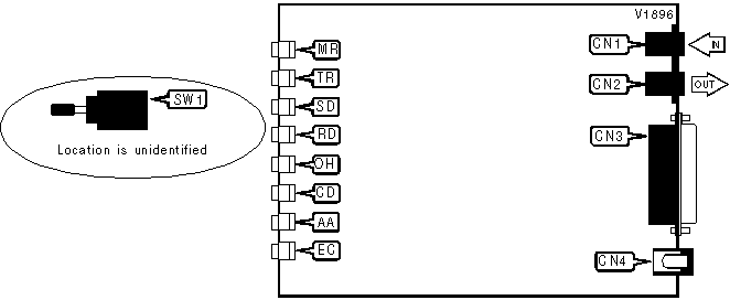
CONNECTIONS

Function

Label

Function

Label

Line in

CN1

DC power

CN4

Line out

CN2

Power switch

SW1

RS-232/422

CN3

   

DIAGNOSTIC LED(S)

LED

Color

Status

Condition

MR

Red

On

Power is on

MR

Red

Off

Power is off

TR

Red

On

DTR signal is high

TR

Red

Off

DTR signal is low

SD

Red

On

Modem is transmitting data

SD

Red

Off

Modem is not transmitting data

RD

Red

On

Modem is receiving data

RD

Red

Off

Modem is not receiving data

OH

Red

On

Modem is off-hook

OH

Red

Off

Modem is on-hook

CD

Red

On

Carrier signal detected

CD

Red

Off

Carrier signal not detected

AA

Red

On

Auto-answer enabled

AA

Red

Off

Auto-answer disabled

EC

Red

On

Error correction in progress

EC

Red

Off

Error correction not in progress

Proprietary AT Command Set

AUTO-RELIABLE FALLBACK CHARACTER

Type:

Configuration

Format:

AT [cmds] %An [cmds]

Default:

Unidentified

Range:

0-127

Unit:

ASCII

Description:

Sets the character used as the auto-reliable fallback character. %A0 will disable this function.

AUTO-RELIABLE TIME BUFFER CONFIGURATION

Type:

Configuration

Format:

AT [cmds] \Cn [cmds]

Description:

Controls the handling of incoming data during auto-reliable time period

Command

Function

\CO

Data is discarded

\C1

Data is buffered

í \C2

Data is discarded, sets to normal mode when auto-reliable character detected.

AUTO-RETRAIN

Type:

Configuration

Format:

AT [cmds] %Qn [cmds]

Description:

Selects auto-retrain mode

Command

Function

%Q0

Auto-retrain disabled

%Q1

Auto-retrain three times

%Q2

Auto-retrain until line quality is good

COMPRESSION

Type:

Configuration

Format:

AT [cmds] %Cn [cmds]

Description:

Selects data compression

Command

Function

%C0

Data compression disabled

%C1

MNP5 and V.42bis enabled

CONNECT MODE

Type:

Configuration

Format:

AT [cmds] \Nn [cmds]

Description:

Sets connect mode

Command

Function

\N0

Normal mode enabled

\N1

Direct mode enabled

\N2

MNP mode enabled

í \N3

V.42/MNP/Normal mode enabled

\N4

V.42 mode enabled

\N5

V.42/MNP mode enabled

DSR SIGNAL - ANALOG LOOPBACK TEST

Type:

Configuration

Format:

AT [cmds] %Dn [cmds]

Description:

Selects the function of the DSR signal during analog loopback tests

Command

Function

%D0

DSR forced high

í %D1

DSR forced low

DTE SPEED

Type:

Configuration

Format:

AT [cmds] \Tn [cmds]

Description:

Selects the current DTE speed

Command

Function

\T0

Select DTE autobaud

\T1

Select last AT speed

\T2

Select 300bps speed

\T3

Select 1200bps speed

\T4

Select 2400bps speed

\T5

Select 4800bps speed

\T6

Select 7200bps speed

\T7

Select 9600bps speed

\T8

Select 12Kbps speed

\T9

Select 14.4Kbps speed

\T10

Select 16.8Kbps speed

\T11

Select 19.2Kbps speed

\T12

Select 21.6Kbps speed

\T13

Select 24Kbps speed

\T14

Select 26.4Kbps speed

\T15

Select 28.8Kbps speed

\T16

Select 38.4Kbps speed

\T17

Select 57.6Kbps speed

\T18

Select 76.8Kbps speed

\T19

Select 115.2Kbps speed

\T20

Select 128Kbps speed

EXTENDED RESULT CODES

Type:

Configuration

Format:

AT [cmds] \Vn [cmds]

Description:

Selects extended result codes

Command

Function

\V0

Extended result codes disabled

\V1

Extended result codes with DTE speed enabled

\V2

Extended result codes with DTE speed enabled

í \V3

Extended result codes disabled and S/DCE speed enabled

FLOW CONTROL

Type:

Configuration

Format:

AT [cmds] \Gn [cmds]

Description:

Selects modem port flow control

Command

Function

í \G0

Flow control disabled

\G1

Flow control enabled

FLOW CONTROL TYPE

Type:

Configuration

Format:

AT [cmds] \Qn [cmds]

Description:

Sets type of flow control used by modem

Command

Function

\Q0

Flow control disabled

\Q1

Bidirectional XON/XOFF flow control enabled

í \Q2

CTS flow control to DTE enabled

\Q3

RTS/CTS flow control enabled

\Q4

Unidirectional XON/XOFF flow control enabled

PROTOCOL/SPEED

Type:

Configuration

Format:

AT [cmds] &Hn [cmds]

Description:

Selects the current protocol

Command

Function

&H0

Selects V.34 and below

&H1

Selects V.34 only

&H2

Selects V.32bis and below

&H3

Selects V.32bis only

&H4

Selects V.32 and below

&H5

Selects V.32 only

&H6

Selects V.22bis only

&H7

Selects V.22 only

&H8

Select Bell 212A only

&H9

Selects Bell 103 only

&H10

Selects V.21 only