EXOS
105T
|
NIC Type |
Ethernet |
|
Transfer Rate |
10Mbps |
|
Data Bus |
16-bit ISA |
|
Topology |
Linear bus |
|
Wiring Type |
RG58A/U 50ohm coaxial AUI transceiver via DB-15 |
|
Boot ROM |
Available |
|
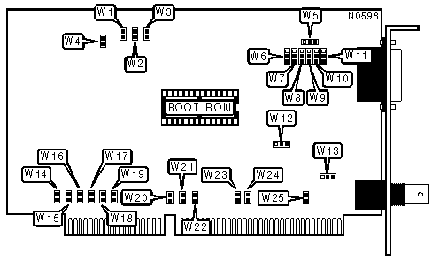
I/O /BOOT ROM ADDRESS | |||||
|
I/O Address |
Boot ROM |
W1 |
W2 |
W3 | |
| » |
300h |
None |
Open |
Closed |
Closed |
|
300h |
C8000-CBFFFh |
Closed |
Closed |
Closed | |
|
320h |
None |
Open |
Closed |
Open | |
|
320h |
CC000-CFFFFh |
Closed |
Closed |
Open | |
|
340h |
None |
Open |
Open |
Closed | |
|
340h |
D0000-D3FFFh |
Closed |
Open |
Closed | |
|
360h |
None |
Open |
Open |
Open | |
|
360h |
D4000-D7FFFh |
Closed |
Open |
Open | |
|
WAIT STATE CONFIGURATION | |
|
Wait State(s) |
W4 |
|
1 wait state |
Open |
|
0 wait states |
Closed |
|
CABLE TYPE | ||||
|
Type |
W5 |
W6-W11 |
W13 | |
| » |
RG58A/U 50ohm coaxial |
Pins 2 & 3 closed |
Pins 2 & 3 closed |
Pins 2 & 3 closed |
|
AUI transceiver via DB-15 port |
Pins 1 & 2 closed |
Pins 1 & 2 closed |
Pins 1 & 2 closed | |
|
Note:Revision D of the EXOS 105T board reversed the polarity of W13. Therefore, if you have a revision D board, settings for W13 will be opposite those shown. | ||||
|
SIGNAL QUALITY | ||
|
Function |
W12 | |
| » |
Signal quality test enabled |
Pins 2 & 3 closed |
|
Signal quality test disabled |
Pins 1 & 2 closed | |
|
DMA CHANNEL | ||||||||
|
Channel |
W14 |
W15 |
W16 |
W17 |
W18 |
W19 |
W23 |
W24 |
|
DMA3 |
Open |
Open |
Open |
Open |
Open |
Open |
Closed |
Closed |
|
DMA5 |
Open |
Open |
Open |
Open |
Closed |
Closed |
Open |
Open |
|
DMA6 |
Open |
Open |
Closed |
Closed |
Open |
Open |
Open |
Open |
|
DMA7 |
Closed |
Closed |
Open |
Open |
Open |
Open |
Open |
Open |
|
INTERRUPT SETTINGS | ||||
|
IRQ |
W20 |
W21 |
W22 |
W25 |
|
None |
Open |
Open |
Open |
Open |
|
2/9 |
Open |
Open |
Open |
Closed |
|
3 |
Closed |
Open |
Open |
Open |
|
4 |
Open |
Closed |
Open |
Open |
|
5 |
Open |
Open |
Closed |
Open |