COMPEX, INC.

FREEDOMLINE FL32PNP-PCI (2MEDIA)

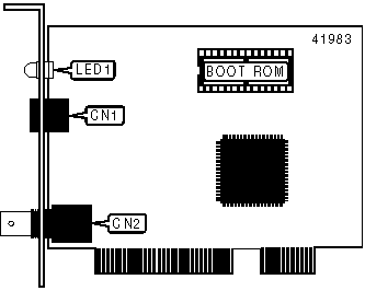
Card Type

Network Interface Card

NIC Type

Ethernet

Maximum Onboard Memory

Unidentified

Boot ROM

Available

Network Transfer Rate

10Mbps

Topology

Linear Bus, Star

Wiring Type

Unshielded twisted pair

RG-58A/U 50ohm coaxial

Data Bus

32-bit PCI

CONNECTIONS

Function

Label

Function

Label

UTP connector

CN1

RG-58A/U

CN2

DIAGNOSTIC LED(S)

Note: Function of LED is unidentified.