MOTHERBOARDS Pentium (socket 4,5,7)

TMC - ZIDA

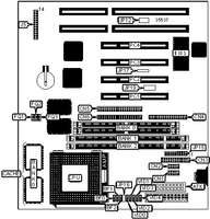
TMC RESEARCH CORPORATION
Pentium
AI5TH (VER. 1.0E)
32-bit PCI slots (4), floppy drive interface, green PC connector, IDE interfaces (2), parallel port, serial ports (2), cache slot, IR connector, USB connector
TMC RESEARCH CORPORATION
Pentium
AI5TT (VER. 1.0)
32-bit PCI slots (4), floppy drive interface, green PC connector, IDE interfaces (2), parallel port, PS/2 mouse interface, serial ports (2), IR connector, USB connectors (2), ATX power connector
TMC RESEARCH CORPORATION
Pentium
AI5TT (VER. 1.1)
32-bit PCI slots (4), floppy drive interface, IDE interfaces (2), parallel port, PS/2 mouse port, serial ports (2), IR connector, USB connectors (2), ATX power connector
TMC RESEARCH CORPORATION
Pentium
AI5TV (VER. 1.3C)
32-bit PCI slots (4), floppy drive interface, IDE interfaces (2), parallel port, PS/2 mouse interface, serial ports (2), cache slot, IR connector, USB connectors (2)
TMC RESEARCH CORPORATION
Pentium
AI5TV (VER. 2.2)
32-bit PCI slots (4), floppy drive interface, green PC connector, IDE interfaces (2), parallel port, PS/2 mouse interface, serial ports (2), IR connector, USB connectors (2)
TMC RESEARCH CORPORATION
Pentium
AI5VG (VER. 1.0)
32-bit PCI slots (3), floppy drive interface, green PC connector, IDE interfaces (2), parallel port, PS/2 mouse interface, serial ports (2), IR connector, USB connector, ATX power connector, AGP slot
TMC RESEARCH CORPORATION
Pentium
AI5VG+ (66MHZ) (VER. 1.0B)
32-bit PCI slots (4), floppy drive interface, IDE interfaces (2), parallel port, PS/2 mouse interface, serial ports (2), IR connector, USB connector, ATX power connector, AGP slot, wake on LAN connector
TMC RESEARCH CORPORATION
Pentium
AI5VP (VER. 1.0A)
32-bit PCI slots (4), floppy drive interface, green PC connector, IDE interfaces (2), parallel port, PS/2 mouse port, PS/2 mouse interface, serial ports (2), IR connector, USB connector, ATX power connector
TMC RESEARCH CORPORATION
Pentium
CAT54IT, CAP54IT (VERSIONS 1.0 AND 1.00)
Floppy drive interface, green PC connector, IDE interfaces (2), parallel port, PS/2 mouse interface, serial ports (2), cache slot, IR connector
TMC RESEARCH CORPORATION
Pentium
CI5TT (VER. 1.1)
Floppy drive interface, IDE interfaces (2), green PC connector, parallel port, PS/2 mouse interface, serial ports (2), IR connector, USB connectors (2), PC/104 connectors (2)
TMC RESEARCH CORPORATION
Pentium
CI5TTL (VER. 1.1), CI5TTL(D) (VER. 1.1)
Floppy drive interface, IDE interfaces (2), parallel port, PS/2 mouse port, serial ports (2), VGA port, IR connector, USB connectors (2), PC/104 connectors (2)
TMC RESEARCH CORPORATION
Pentium
CI5TTP (VER. 1.0)
Floppy drive interface, green PC connector, IDE interfaces (2), parallel port, serial ports (2), VGA port, USB connectors (2), PC/104 connectors (2), PS/2 mouse interface
TMC RESEARCH CORPORATION
Pentium
CI5TTPX (VER. 1.0)
Floppy drive interface, green PC connector, IDE interfaces (2), parallel port, serial ports (2), USB connectors (2), PC/104 connectors (2), PS/2 mouse interface
TMC RESEARCH CORPORATION
Pentium
CI5TTV (VER. 1.1)
Floppy drive interface, IDE interfaces (2), green PC connector, parallel port, PS/2 mouse interface, serial ports (2), VGA port, IR connector, USB connectors (2), PC/104 connectors (2)
TMC RESEARCH CORPORATION
Pentium
ICT54IT
Floppy drive interface, green PC connector, IDE interfaces (2), parallel port, PS/2 mouse port, serial ports (2), VGA feature connector, VGA port, VRM connector, cache slot, riser slot, IR connector
TMC RESEARCH CORPORATION
Pentium
LI5TV (VER. 1.0A)
Floppy drive interface, green PC connector, IDE interfaces (2), parallel port, PS/2 mouse port, serial ports (2), VGA feature connector, VGA port, riser slot, cache slot, IR connector, USB connectors (2)
TMC RESEARCH CORPORATION
Pentium
PAT45PVS (VER.2.0)
32-bit VESA local bus slots (2)
TMC RESEARCH CORPORATION
Pentium
PAT54PV (VER 1.0A, 1.1A)
32-bit VESA local bus slots (3)
TMC RESEARCH CORPORATION
Pentium
PAT58PV (VER. 1.2A)
32-bit VESA local bus slots (3)
TMC RESEARCH CORPORATION
Pentium
PCI54AG (VER. 1.0)
32-bit PCI slots (4), green PC connector
TMC RESEARCH CORPORATION
Pentium
PCI54AL (VER. 1.0A)
Parallel port, serial ports (2), 32-bit PCI slots (3), green PC connector, floppy drive interface, IDE interfaces (2)
TMC RESEARCH CORPORATION
Pentium
PCI54IT (VER. 0.10)
32-bit PCI slots (4), floppy drive interface, green PC connector, IDE interfaces (2), parallel port, PS/2 mouse port, serial ports (2), external cache slot, external video slot
TMC RESEARCH CORPORATION
Pentium
PCI54IT (VER. 0.10C)
32-bit PCI slots (2), floppy drive interface, green PC connector, IDE interfaces (2), parallel port, PS/2 mouse port, serial ports (2), cache slot, VRM connector
TMC RESEARCH CORPORATION
Pentium
PCI54ITS (VER. 2.0)
32-bit PCI slots (4), floppy drive interface, green PC connector, IDE interfaces (2), parallel port, serial ports (2), VRM connector
TMC RESEARCH CORPORATION
Pentium
PCI54PL (VER. 1.0)
32-bit VESA local bus slots (2), 32-bit PCI slots (4)
TMC RESEARCH CORPORATION
Pentium
PCI54PL VERSION 1.0A
32-bit VESA local bus slots (2), 32-bit PCI slots (4)
TMC RESEARCH CORPORATION
Pentium
PCI54PV (VER. 1.2A)
32-bit VESA local bus slots (2), 32-bit PCI bus slots (4)
TMC RESEARCH CORPORATION
Pentium
PCI54PV III (VER. 0.10)
Parallel port, serial ports (2), 32-bit PCI slots (3), green PC connector, floppy drive interface, IDE interfaces (2)
TMC RESEARCH CORPORATION
Pentium
PCI54PV4 (VER. 2.10)
Parallel port, serial ports (2), 32-bit PCI slots (4), green PC connector, floppy drive interface, IDE interfaces (2)
TMC RESEARCH CORPORATION
Pentium
PCI54SP (VER. 1.0)
32-bit PCI slots (4), green PC connector, IDE interfaces (2)
TMC RESEARCH CORPORATION
Pentium
PCI54ST (VER. 1.0A)
PS/2 mouse connector, parallel port, serial ports (2), 32-bit PCI slots (4), green PC connector, floppy drive interface, IDE interfaces (2)
TMC RESEARCH CORPORATION
Pentium
PCI54SV (VER. 0.0)
32-bit PCI slots (3), floppy drive interface, green PC connector, IDE interfaces (2), parallel port, PS/2 mouse interface, serial ports (2), VGA feature connector, VGA interface, cache slot, IR connector
TMC RESEARCH CORPORATION
Pentium
PCI58AL (VER. 1.0)
32-bit PCI slots (4)
TMC RESEARCH CORPORATION
Pentium
PCI58PL (VER. 1.0B)
32-bit VESA local bus slots (2), 32-bit PCI slots (4)
TMC RESEARCH CORPORATION
Pentium
PCI58PV (VER 1.0A)
32-bit VESA local bus slots (3), 32-bit PCI bus slots (3)
TMC RESEARCH CORPORATION
Pentium
PCI58SP (VER. 1.0)
32-bit PCI slots (4), green PC connector
TMC RESEARCH CORPORATION
Pentium
PET58PV (VER. 1.0)
32-bit VESA local bus slots (2)
TMC RESEARCH CORPORATION
Pentium
SI5TT (VER. 1.0)
Ethernet 10BaseT connector, floppy drive interface, green PC connector, IDE interfaces (2), parallel port, serial ports (4), VGA port, IR connector, USB connector, PC/104 connectors (2)
TMC RESEARCH CORPORATION
Pentium
TI5TH (VER. 1.0B)
32-bit PCI slots (4), floppy drive interface, green PC connector, IDE interfaces (2), parallel port, PS/2 mouse port, serial ports (2), cache slot, IR connector, USB connectors (2), ATX power connector
TMC RESEARCH CORPORATION
Pentium
TI5TT (VER. 1.0B)
32-bit PCI slots (4), floppy drive interface, green PC connector, IDE interfaces (2), parallel port, PS/2 mouse port, serial ports (2), IR connector, USB connector, ATX power connector
TMC RESEARCH CORPORATION
Pentium
TI5TT (VER. 1.1)
32-bit PCI slots (4), floppy drive interface, IDE interfaces (2), parallel port, PS/2 mouse port, serial ports (2), IR connector, USB connectors (2), ATX power connector
TMC RESEARCH CORPORATION
Pentium
TI5TV (A) (VER. 3.0B)
32-bit PCI slots (4), floppy drive interface, green PC connector, IDE interfaces (2), parallel port, PS/2 mouse port, serial ports (2), IR connector, USB connectors (2), ATX power connector, audio in CD–ROM, audio I/O connector
TMC RESEARCH CORPORATION
Pentium
TI5VG (VER. 1.0A)
32-bit PCI slots (4), floppy drive interface, IDE interfaces (2), parallel port, PS/2 mouse port, serial ports (2), IR connector, USB connectors (2), ATX power connector, AGP slot
TMC RESEARCH CORPORATION
Pentium
TI5VG+ 100MHZ (VER. 1.0B)
32-bit PCI slots (5), floppy drive interface, IDE interfaces (2), parallel port, PS/2 mouse port, serial ports (2), IR connector, USB connectors (2), ATX power connector, AGP slot
TMC RESEARCH CORPORATION
Pentium
TI5VG+ 66MHZ (VER. 1.0B)
32-bit PCI slots (4), floppy drive interface, IDE interfaces (2), parallel port, PS/2 mouse port, serial ports (2), IR connector, USB connectors (2), ATX power connector, AGP slot
TMC RESERCH CORPORATION
Pentium
AI5TH (VER. 1.0)
32-bit PCI slots (4), floppy drive interface, green PC connector, IDE interfaces (2), parallel port, PS/2 mouse interface, serial ports (2), cache slot, IR connectors (2), VRM connector
TORONTO MICROELECTRONICS, INC.
Pentium
TME2106
Ethernet port, floppy drive interface, IDE interfaces (2), SCSI connector, parallel port, PS/2 mouse interface, serial ports (2), cache slot, temperature indicator connector, auxiliary connector, PC/104 connectors (2)
TOTEM TECHNOLOGY CO., LTD.
Pentium
TM-586 AL100
32-bit PCI slots (3), floppy drive interface, IDE interfaces (2), parallel port, PS/2 mouse interface, serial ports (2), IR connector, USB connector, ATX power connector, AGP slot
TOTEM TECHNOLOGY CO., LTD.
Pentium
TM-586 IP2
32-bit PCI slots (4), floppy drive interface, green PC connector, IDE interfaces (2), parallel port, PS/2 mouse interface, serial ports (2), IR connector, USB connector, cache slot
TOTEM TECHNOLOGY CO., LTD.
Pentium
TM-586 IV2
32-bit PCI slots (3), floppy drive interface, green PC connector, IDE interfaces (2), parallel port, PS/2 mouse interface, serial ports (2), IR connector, USB connectors (2)
TOTEM TECHNOLOGY CO., LTD.
Pentium
TM-586 TX1
32-bit PCI slots (4), floppy drive interface, green PC connector, IDE interfaces (2), parallel port, PS/2 mouse interface, serial ports (2), IR connector, USB connector, ATX power connector
TOTEM TECHNOLOGY CO., LTD.
Pentium
TM-586 TX3
32-bit PCI slots (4), floppy drive interface, green PC connector, IDE interfaces (2), parallel port, PS/2 mouse interface, serial ports (2), IR connectors (2), USB connector, ATX power connector
TOTEM TECHNOLOGY CO., LTD.
Pentium
TM-586 TX4
32-bit PCI slots (4), floppy drive interface, green PC connector, IDE interfaces (2), parallel port, PS/2 mouse interface, serial ports (2), IR connectors (2), USB connector, ATX power connector
TOTEM TECHNOLOGY CO., LTD.
Pentium
TM-586VA
32-bit PCI slots (3), floppy drive interface, IDE interfaces (2), parallel port, PS/2 mouse interface, serial ports (2), IR connector, USB connector, ATX power connector
TOTEM TECHNOLOGY CO., LTD.
Pentium
TM-P2EXAT
32-bit PCI slots (3), floppy drive interface, IDE interfaces (2), parallel port, PS/2 mouse interface, serial ports (2), IR connector, USB connector, ATX power connector, AGP slot, SB-link connector
TRENTON TECHNOLOGY, INC.
Pentium
TR-P5EISA
Floppy drive interface, IDE interface, parallel port, serial ports (2), combo I/O connector
TRENTON TECHNOLOGY, INC.
Pentium
TR-P5PCI
Floppy drive interface, IDE interface, SCSI interface, parallel port, serial ports (2), combo I/O connector
TRENTON TECHNOLOGY, INC.
Pentium
TR-T2PCI
Floppy drive interface, IDE interfaces (2), parallel port, PS/2 mouse interface, serial ports (2), USB connectors (2), combo I/O connector
TRENTON TECHNOLOGY, INC.
Pentium
TR-T2VPCI
Floppy drive interface, IDE interfaces (2), SCSI interface, parallel port, PS/2 mouse port, PS/2 mouse interface, serial ports (2), VGA port, USB connectors (2), combo I/O connector
TRIGEM MICROSYSTEM, INC.
Pentium
RD535
32-bit PCI slots (4), floppy drive interface, IDE interfaces (2), parallel port, PS/2 mouse port, serial ports (2), IR connector, USB connectors (2), ATX power connector
TRIGEM MICROSYSTEMS, INC.
Pentium
LI545
32-bit PCI slots (4), floppy drive interface, game/MIDI port, green PC connector, IDE interfaces (2), parallel port, PS/2 mouse port, serial ports (2), IR connector, USB connectors (2), ATX power connector, AGP slot, line in, line out, microphone in
TULIP COMPUTERS
Pentium Overdrive
TR 586 EISA (VER. 1) (TC37)
Floppy drive interface, IDE interfaces (2), internal video board connector, parallel port, SCSI ports (3), serial ports (2)
TULIP COMPUTERS
Pentium
TULIP IMPRESSION LINE COMFORT/COMPACT/EXTEND 5/75
PS/2 mouse port, parallel port, serial ports (2), VGA port, VGA feature connector, network adapter, floppy drive interface, IDE interfaces (2), microphone port, smartport connector, audio connector, riser slot, cache slot, voltage regulator slo
TYAN COMPUTER CORPORATION
Pentium
S1441 PENTIUM-VL (Rev. 1.0)
32-bit VESA local bus slots (3)
TYAN COMPUTER CORPORATION
Pentium
S1441 PENTIUM-VL (Revision 1.1)
32-bit VESA local bus slots (3)
TYAN COMPUTER CORPORATION
Pentium
S1452 REV. 1.0
32-bit PCI bus slots (4), 32-bit VESA local bus slots (2)
TYAN COMPUTER CORPORATION
Pentium
S1461
32-bit PCI slots (4), IDE interfaces (2)
TYAN COMPUTER CORPORATION
Pentium
S1462
32-bit PCI slots (4)
TYAN COMPUTER CORPORATION
Pentium
S1462 REV. 2.0
32-bit PCI slots (4)
TYAN COMPUTER CORPORATION
Pentium
S1466
32-bit PCI slots (4), IDE interfaces (2)
TYAN COMPUTER CORPORATION
Pentium
S1468
32-bit PCI slots (4), floppy drive interface, IDE interfaces (2), parallel port, PS/2 mouse port, serial ports (2), cache slot, Infra Red connectors (2), VRM connector
TYAN COMPUTER CORPORATION
Pentium
S1469
32-bit PCI slots (4), bus mouse port, CD-ROM interface, cassette drive interface, Ethernet 10Base2 connector, floppy drive interface, green PC connector, IDE interfaces (2), parallel port, PS/2 mouse interface, serial ports (2), cache slot, IR connec
TYAN COMPUTER CORPORATION
Pentium
S1470
32-bit PCI slots (5), floppy drive interface, IDE interfaces (2), parallel port, PS/2 mouse interface, serial ports (2), cache slot, IR connectors (2), USB connector
TYAN COMPUTER CORPORATION
Pentium
S1471
32-bit PCI slots (5), floppy drive interface, IDE interfaces (2), parallel port, PS/2 mouse interface, serial ports (2), IR connector (2), USB connectors (2)
TYAN COMPUTER CORPORATION
Pentium
S1472
32-bit PCI slots (5), floppy drive interface, IDE interfaces (2), parallel port, PS/2 mouse port, serial ports (2), cache slot, IR connectors (2), USB connectors (2), ATX power connector
TYAN COMPUTER CORPORATION
Pentium
S1562D (REV. 1.0)
32-bit PCI slots (4), floppy drive interface, IDE interfaces (2), parallel port, PS/2 mouse interface, serial ports (2), cache slot, IR connectors (2)
TYAN COMPUTER CORPORATION
Pentium
S1562D (REV. 1.1)
32-bit PCI slots (4), floppy drive interface, IDE interfaces (2), parallel port, PS/2 mouse interface, serial ports (2), cache slot, IR connectors (2)
TYAN COMPUTER CORPORATION
Pentium
S1562S (REV. 1.0)
32-bit PCI slots (4), floppy drive interface, IDE interfaces (2), parallel port, PS/2 mouse interface, serial ports (2), cache slot, IR connectors (2)
TYAN COMPUTER CORPORATION
Pentium
S1562S (REV. 1.1)
32-bit PCI slots (4), floppy drive interface, IDE interfaces (2), parallel port, PS/2 mouse interface, serial ports (2), cache slot, IR connectors (2)
TYAN COMPUTER CORPORATION
Pentium
S1563D (REV. 1.0)
32-bit PCI slots (4), floppy drive interface, IDE interfaces (2), parallel port, PS/2 mouse interface, serial ports (2), IR connectors (2), USB connectors (2)
TYAN COMPUTER CORPORATION
Pentium
S1563S (REV. 1.0)
32-bit PCI slots (4), floppy drive interface, IDE interfaces (2), parallel port, PS/2 mouse interface, serial ports (2), IR connectors (2), USB connectors (2)
TYAN COMPUTER CORPORATION
Pentium
S1564D
32-bit PCI slots (4), floppy drive interface, IDE interfaces (2), parallel port, PS/2 mouse interface, serial ports (2), IR connectors (2), USB connectors (2)
TYAN COMPUTER CORPORATION
Pentium
S1564S
32-bit PCI slots (4), floppy drive interface, IDE interfaces (2), parallel port, PS/2 mouse interface, serial ports (2), IR connectors (2), USB connectors (2)
TYAN COMPUTER CORPORATION
Pentium
S1570 (REV. 1.0)
32-bit PCI slots (5), floppy drive interface, green PC connector, IDE interfaces (2), parallel port, PS/2 mouse interface, serial ports (2), IR connector, USB connectors (2)
TYAN COMPUTER CORPORATION
Pentium
S1571
32-bit PCI slots (5), floppy drive interface, green PC connector, IDE interfaces (2), parallel port, PS/2 mouse interface, serial ports (2), IR connectors (2), USB connectors (2)
TYAN COMPUTER CORPORATION
Pentium
S1572
32-bit PCI slots (5), floppy drive interface, green PC connector, IDE interfaces (2), parallel port, PS/2 mouse port, serial ports (2), IR connectors (2), USB connectors (2), ATX power connector
TYAN COMPUTER CORPORATION
Pentium
S1573S
32-bit PCI slots (5), floppy drive interface, green PC connector, IDE interfaces (2), parallel port, PS/2 mouse port, serial ports (2), IR connector, USB connectors (2), ATX power connector, wake on LAN connector
TYAN COMPUTER CORPORATION
Pentium
S1576S
32-bit PCI slots (5), floppy drive interface, game port, green PC connector, IDE interfaces (2), parallel port, PS/2 mouse port, serial ports (2), IR connector, USB connectors (2), ATX power connector
TYAN COMPUTER CORPORATION
Pentium
S1590
32-bit PCI slots (4), floppy drive interface, green PC connector, IDE interfaces (2), parallel port, PS/2 mouse interface, serial ports (2), IR connector, USB connector, ATX power connector, AGP slot, wake on LAN connector
UNIDENTIFED
Pentium
SQ-595
32-bit PCI slots (4), floppy drive interface, green PC connector, IDE interfaces (2), parallel port, PS/2 mouse interface, serial ports (2), VRM module connector, cache slot
UNIDENTIFIED
Pentium
HP5-ISA-6A6B1
32-bit VESA local bus slots (2)
UNIDENTIFIED
Pentium
MB-54VP
32-bit VESA local bus slots (2), 32-bit PCI slots (4)
UNIDENTIFIED
Pentium
P5
32-bit PCI slots (4)
UNIDENTIFIED
Pentium
P54C MAINBOARD
32-bit PCI slots (4), green PC connector
UNIDENTIFIED
Pentium
P54C-IP
32-bit PCI slots (4), floppy drive interface, green PC connector, IDE interfaces (2), parallel port, PS/2 mouse port, serial ports (2)
UNIDENTIFIED
Pentium
P54C-SC
32-bit PCI slots (4)
UNIDENTIFIED
Pentium
P55-ET
32-bit PCI slots (4), floppy drive interface, green PC connector, IDE interfaces (2), parallel port, PS/2 mouse port, PS/2 mouse interface, serial ports (2), cache slot, VRM connector
UNIDENTIFIED
Pentium
P55-TH
32-bit PCI slots (4), floppy drive interface, green PC connector, IDE interfaces (2), parallel port, PS/2 mouse interface, serial ports (2), cache slot, IR connector
UNIDENTIFIED
Pentium
PCI TR5
32-bit PCI slots (4), floppy drive interface, green PC connector, IDE interfaces (2), parallel port, serial ports (2), cache slot
UNIDENTIFIED
Pentium
PM586PA PCI
32-bit PCI slots (4), green PC connector
UNIDENTIFIED
Pentium
POWERSPEC
32-bit PCI slots (4)
VEXTREC
Pentium
GMB-P57IPS (VER. 3.03)
32-bit PCI slots (4), floppy drive interface, IDE interface, parallel port, PS/2 mouse port, serial ports (2), USB connectors (2), IR connector
VEXTREC TECHNOLOGY INC.
Pentium
GMB-P57IAX (VER. 1.20)
32-bit PCI slots (4), floppy drive interface, IDE interfaces (2), parallel port, PS/2 mouse port, serial ports (2), IR connector, USB connectors (2), ATX power connector
VEXTREC TECHNOLOGY INC.
Pentium
GMB-P57IPS (VER. 2.01)
32-bit PCI slots (4), floppy drive interface, green PC connector, IDE interfaces (2), parallel port, PS/2 mouse interface, serial ports (2), IR connector, USB connectors (2)
VEXTREC TECHNOLOGY INC.
Pentium
GMB-P57IPS (VER. 3.01)
32-bit PCI slots (4), floppy drive interface, green PC connector, IDE interfaces (2), parallel port, PS/2 mouse interface, serial ports (2), IR connector, USB connectors (2)
VEXTREC TECHNOLOGY, INC.
Pentium
GMB-P56IAX (VER. 1.02)
32-bit PCI slots (4), floppy drive interface, IDE interface (2), parallel port, PS/2 mouse port, serial ports (2), cache slot, IR connector, USB connector (2)
VEXTREC TECHNOLOGY, INC.
Pentium
GMB-P56IPA (VER. 1.01)
IDE interfaces (2), floppy drive interface, parallel port, PS/2 mouse port, serial ports (2), VGA port, VGA feature connector, cache slot, expansion slot, IR connector, USB connectors (2), FIR connector, MPEG module connector, green PC connecto
VEXTREC TECHNOLOGY, INC.
Pentium
GMB-P56IPS (VER. 1.06)
32-bit PCI slots (4), floppy drive interface, green PC connector, IDE interfaces (2), parallel port, PS/2 mouse interface, serial ports (2), cache slot, IR connector, USB connectors (2)
VEXTREC TECHNOLOGY, INC.
Pentium
GMB-P56IPS (VER. 3.02)
32-bit PCI slots (4), floppy drive interface, IDE interfaces(2), parallel port, PS/2 mouse port, serial ports (2), IR connector, green PC connector, PS/2 mouse interface, USB connectors (2)
VEXTREC TECHNOLOGY, INC.
Pentium
GMB-P56IPS (VER. 5.02)
32-bit PCI slots (4), floppy drive interface, IDE interface, parallel port, PS/2 mouse port, serial ports (2), IR connector, Green PC connector, USB connectors (2)
VEXTREC TECHNOLOGY, INC.
Pentium
GMB-P56VPS (VER. 1.10)
32-bit PCI slots (4), floppy drive interface, green PC connector, IDE interfaces (2), parallel port, PS/2 mouse interface, serial ports (2), IR connectors (2), USB connectors (2)
VEXTREC TECHNOLOGY, INC.
Pentium
GMB-P57IAA (VER. 1.10)
32-bit PCI slots (3), floppy drive interface, game/MIDI port, IDE interfaces (2), parallel port, PS/2 mouse port, serial ports (2), VGA port, USB connectors (2), ATX power connector, microphone in, line in, speaker out, AMC/VFC connector, TV out conn
VEXTREC TECHNOLOGY, INC.
Pentium
GMB-P57IPA (VER. 1.21)
32-bit EISA slot, floppy drive interface, green PC connector, IDE interfaces (2), parallel port, PS/2 mouse port, serial ports (2), VGA feature connector, VGA port, wavetable connector, audio in - CD-ROM (2)
VEXTREC TECHNOLOGY, INC.
Pentium
GMB-P57IPS (VER. 3.05)
32-bit PCI slots (4), floppy drive interface, green PC connector, IDE interfaces (2), parallel port, PS/2 mouse interface, serial ports (2), IR connector, USB connectors (2)
VEXTREC TECHNOLOGY, INC.
Pentium
GMB-P57IPS (VER. 5.03)
32-bit PCI slots (4), floppy drive interface, IDE interface (2), parallel port, PS/2 mouse port, serial ports (2), USB connector
VEXTREC TECHNOLOGY, INC.
Pentium
GMB-P57IPS (VER. 5.03)
32-bit PCI slots (4), floppy drive interface, IDE interface (2), parallel port, PS/2 mouse port, serial ports (2), USB connector
VEXTREC TECHNOLOGY, INC.
Pentium
GMB-P57SAX (VER. 1.20)
32-bit PCI slots (4), floppy drive interface, game port, IDE interfaces (2), parallel port, PS/2 mouse port, serial ports (2), IR connector, USB connectors (2), ATX power connector, wavetable connector, microphone in, line in, speaker out, CPU fan co
VEXTREC TECHNOLOGY, INC.
Pentium
GMB-P57VPS (VER. 3.02)
32-bit PCI slots (4), floppy drive interface, IDE interfaces (2), parallel port, PS/2 mouse port, serial ports (2), serial port, USB connectors (2), IR connector
VEXTREC TECHNOLOGY, INC.
Pentium
GMB-P58VAX (VER. 1.10)
32-bit PCI slots (4), floppy drive interface, game port, IDE interface, parallel port, PS/2 mouse port, serial ports (2), ATX power connector, AGP slot, USB connectors (2), wavetable connector, audio in-CD-ROMs (2), microphone in, speaker out, line i
VEXTREC TECNHOLOGY, INC.
Pentium
GMB-P54SPS (VER. 2.00)
32-bit PCI slots (4), floppy drive interface, game interface, green PC connector, IDE interfaces (2), parallel port, serial ports (2)
VEXTREC COMPUTER, INC.
Pentium
GMB-P57IPS (VER. 5.11)
32-bit PCI slots (4), floppy drive interface, IDE interfaces (2), parallel port, PS/2 mouse port, serial ports (2), IR connector, USB connectors (2)
VISION TECHNOLOGIES
Pentium
INFINITY
32-bit PCI slots (4), floppy drive interface, green PC connector, IDE interfaces (2), parallel port, serial ports (2), cache slot, IR connector, VRM connector
VISION TECHNOLOGIES
Pentium
PVPT
32-bit VESA local bus slots (2), 32-bit PCI slots (4)
VISION TECHNOLOGIES
Pentium
VISION 2010
32-bit PCI slots (4), floppy drive interface, green PC connector, IDE interfaces (2), parallel port, serial ports (2), cache slot, IR connector, VRM connector
VISION TECHNOLOGIES
Pentium
VS PT
32-bit VESA local bus slots (2)
VTECH INDUSTRIES, INC.
Pentium
MB520N
32-bit PCI slots (4), floppy drive interface, green PC connector, IDE interfaces (2), parallel port, PS/2 mouse interface, serial ports (2), IR connector, USB connector
VTECH INDUSTRIES, INC.
Pentium
MB520ND
32-bit PCI slots (4), floppy drive interface, green PC connector, IDE interfaces (2), parallel port, PS/2 mouse interface, serial ports (2), cache slot, IR connector, USB connector
WIN LAN ENTERPRISE CO., LTD.
Pentium
EL-EP05
32-bit PCI slots (4), floppy drive interface, green PC connector, IDE interfaces (2), parallel port, PS/2 mouse interface, serial ports (2), cache slot, IR connector
WIN LAN ENTERPRISE CO., LTD.
Pentium
EL-EP06
32-bit PCI slots (3), floppy drive interface, green PC connector, IDE interfaces (2), parallel port, PS/2 mouse interface, serial ports (2), cache slot, IR connector, USB connector
WIN LAN ENTERPRISE CO., LTD.
Pentium
EL-EP06-V5
32-bit PCI slots (4), floppy drive interface, green PC connector, IDE interfaces (2), parallel port, PS/2 mouse interface, serial ports (2), cache slot, IR connector, USB connector
WYSE TECHNOLOGY, INC.
Pentium
WYSE SERIES 6000I (MODEL 665)
Parallel port, serial ports (2), floppy drive interface, IDE interface
YOUNG MICRO SYSTEMS, INC.
Pentium
ADVANCED/ML
32-bit PCI slots (4), floppy drive interface, green PC connector, IDE interfaces (2), parallel port, PS/2 mouse port, serial ports (2), IR connector
YOUNG MICRO SYSTEMS, INC.
Pentium
CROSS P5-VIP (REV 1.0)
32-bit VESA local bus slots (3), 32-bit PCI slots (3)
YOUNG MICRO SYSTEMS, INC.
Pentium
CROSS P5-VLB
32-bit VESA local bus slots (3), PS/2 mouse connector
YOUNG MICRO SYSTEMS, INC.
Pentium
CROSS P54C-VIP (REV. 1.0)
32-bit VESA local bus slots (3), 32-bit PCI slots (4), PS/2 mouse connector
YOUNG MICRO SYSTEMS, INC.
Pentium
MB-5820
32-bit PCI slots (4), floppy drive interface, green PC connector, IDE interfaces (2), parallel port, PS/2 mouse port, serial ports (2), IR connector, USB connector
YOUNG MICRO SYSTEMS, INC.
Pentium
TC430HX
32-bit PCI slots (4), floppy drive interface, green PC connector, IDE interfaces (2), parallel port, PS/2 mouse port, serial ports (2), VESA feature connector, VGA port, IR connector, USB connectors (2), MIDI/game port, line out connector, line in co
YOUNG MICRO SYSTEMS, INC.
Pentium
VEGA MERCURY PENTIUM PCI
32-bit PCI bus slots (3), PS/2 mouse port
YOUNG MICRO SYSTEMS, INC.
Pentium
VEGA P54C-IDP
External cache card, 32-bit PCI slots (3), green PC connector, PS/2 mouse connector
YOUNG MICRO SYSTEMS, INC.
Pentium
VEGA VI-P5-IP
32-bit PCI slots (3), PS/2 mouse connector
ZENITH DATA SYSTEMS, INC.
Pentium
Z-SERVER WL
PCI slots (3), SCSI interface, Wide SCSI interface, serial port, riser slot, cache slot
ZEOS INTERNATIONAL, LTD.
Pentium
PANTERA Pentium
Parallel port, serial ports (2), Infrared COM port, 32-bit PCI slots (3), floppy drive interface, IDE interfaces (2), SCSI interface, 10-baseT connector, 10-base2 connector, Legacy connector, VRM connector, cache slot
ZIDA TECHNOLOGIES INC.
Pentium
5DTX (VER. 1.00)
32-bit PCI slots (4), floppy drive interface, green PC connector, IDE interfaces (2), parallel port, PS/2 mouse interface, serial ports (2), IR connector, USB connectors (2), ATX power connector
ZIDA TECHNOLOGIES INC.
Pentium
5DXP (VER. 1.0, 2.0)
32-bit PCI slots (4), floppy drive interface, green PC connector, IDE interfaces (2), parallel port, PS/2 mouse interface, serial ports (2), cache slot, IR connector, VRM connector
ZIDA TECHNOLOGIES INC.
Pentium
5DXP (VER. 3.10)
32-bit PCI slots (4), floppy drive interface, green PC connector, IDE interfaces (2), parallel port, PS/2 mouse interface, serial ports (2), cache slot, IR connector, VRM connector
ZIDA TECHNOLOGIES INC.
Pentium
5STX (VER. 1.10)
32-bit PCI slots (3), floppy drive interface, green PC connector, IDE interfaces (2), PS/2 mouse interface, serial ports (2), IR connector, USB connectors (2)
ZIDA TECHNOLOGIES INC.
Pentium
5STX-E (VER. 1.10)
32-bit PCI slots (3), floppy drive interface, green PC connector, IDE interfaces (2), PS/2 mouse interface, serial ports (2), IR connector, USB connectors (2)
ZIDA TECHNOLOGIES INC.
Pentium
5STX-J98 (VER. 1.01)
32-bit PCI slots (3), floppy drive interface, green PC connector, IDE interfaces (2), parallel port, PS/2 mouse interface, serial ports (2), IR connector, USB connectors (2), ATX power connector
ZIDA TECHNOLOGIES INC.
Pentium
5SVA (VER. 1.60), 5SVA-E (VER. 1.60)
32-bit PCI slots (3), floppy drive interface, green PC connector, IDE interfaces (2), parallel port, PS/2 mouse interface, serial ports (2), IR connector, USB connectors (2)
ZIDA TECHNOLOGIES INC.
Pentium
GMB-P55IPS (VER. 1.52)
32-bit PCI slots (4), floppy drive interface, green PC connector, IDE interfaces (2), parallel port, PS/2 mouse interface, serial ports (2), IR connector, USB connectors (2)
ZIDA TECHNOLOGIES INC.
Pentium
TX98 (VER. 1.01)
32-bit PCI slots (4), floppy drive interface, green PC connector, IDE interfaces (2), parallel port, PS/2 mouse interface, serial ports (2), IR connector, USB connectors (2), ATX power connector, TB-link connector, wake on LAN connector, TA-link conn
ZIDA TECHNOLOGIES INC.
Pentium
TX98-3D (VER. 1.01)
32-bit PCI slots (4), floppy drive interface, green PC connector, IDE interfaces (2), parallel port, PS/2 mouse interface, serial ports (2), IR connector, USB connectors (2), ATX power connector, audio in – CD-ROMs (2), audio connector, TB-link conne
ZIDA TECHNOLOGIES, INC.
Pentium
5DHX (VER. 1.20)
32-bit PCI slots (4), floppy drive interface, green PC connector, IDE interfaces (2), parallel port, PS/2 mouse interface, serial ports (2), IR connector, USB connector
ZIDA TECHNOLOGIES, INC.
Pentium
5DTX-TC/JY (VER. 2.00)
32-bit PCI slots (4), floppy drive interface, green PC connector, IDE interfaces (2), parallel port, PS/2 mouse interface, serial ports (2), IR connector, USB connectors (2), ATX power connector
ZIDA TECHNOLOGIES, INC.
Pentium
5DVX (VER. 1.30)
32-bit PCI slots (4), floppy drive interface, green PC connector, IDE interfaces (2), parallel port, PS/2 mouse interface, serial ports (2), IR connector, USB connectors (2)
ZIDA TECHNOLOGIES, INC.
Pentium
5SVX (VER. 1.30)
32-bit PCI slots (3), floppy drive interface, green PC connector, IDE interfaces (2), parallel port, PS/2 mouse interface, serial ports (2), IR connector, USB connector