DATAEXPERT CORPORATION

MBX8440-OS

Device Type

Mainboard

Processor

Pentium II/Celeron/Mendocino

Processor Speed

233/266/300/333/350/400/450MHz

Chip Set

Intel 440BX

Maximum Onboard Memory

384MB (EDO & SDRAM supported)

Audio Chip Set

Yamaha

Cache

0/128/256/512KB (located on the CPU)

BIOS

Award

Dimensions

305mm x 180mm

I/O Options

32-bit PCI slots (4), floppy drive interface, green PC connector, IDE interfaces (2), parallel port, PS/2 mouse port, serial ports (2), IR connector, USB connectors (2), ATX power connector, AGP slot, line in, line out, microphone in, audio in - CD-ROMs (2)

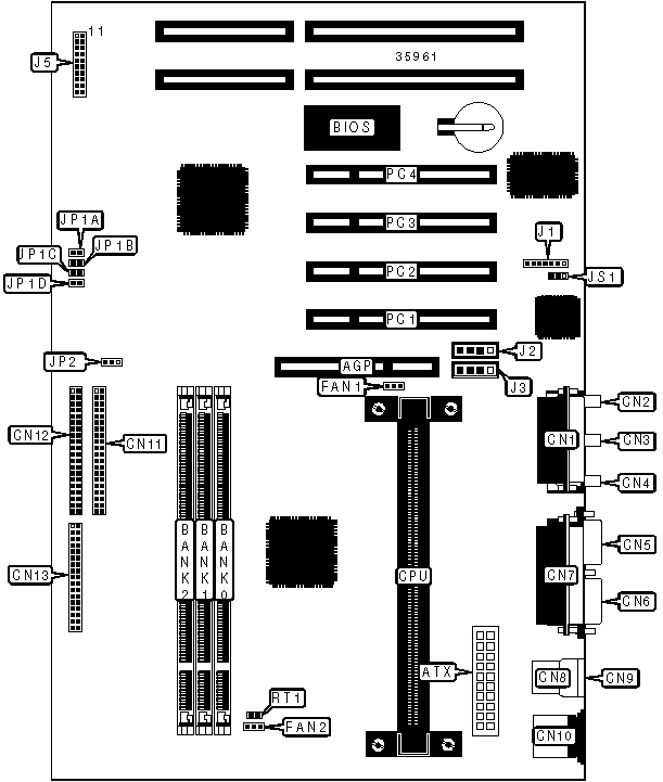
CONNECTIONS

Purpose

Location

Purpose

Location

AGP slot

AGP

Chassis fan power

FAN1

ATX power connector

ATX

CPU fan power

FAN2

Game/MIDI port

CN1

IR connector

J1

Microphone in

CN2

Audio in - CD-ROM (Sony)

J2

Line in

CN3

Audio in - CD-ROM (Panasonic)

J3

Line out

CN4

Power LED & keylock

J5/pins 1 - 5

Serial port 2

CN5

IDE interface LED

J5/pins 6 & 16

Serial port 1

CN6

Green PC LED

J5/pins 7 & 17

Parallel port

CN7

Green PC connector

J5/pins 8 & 18

USB connector 1

CN8

Soft off power supply

J5/pins 9 & 19

USB connector 2

CN9

Reset switch

J5/pins 10 & 20

PS/2 mouse port

CN10

Speaker

J5/pins 11 - 14

IDE interface 2

CN11

Wake on LAN connector

JS1

IDE interface 1

CN12

Thermistor connector

RT1

Floppy drive interface

CN13

32-bit PCI slots

PC1 - PC4

DIMM CONFIGURATION

Size

Bank 0

Bank 1

Bank 2

8MB

(1) 1M x 64

None

None

16MB

(1) 2M x 64

None

None

16MB

(1) 1M x 64

(1) 1M x 64

None

24MB

(1) 2M x 64

(1) 1M x 64

None

24MB

(1) 1M x 64

(1) 1M x 64

(1) 1M x 64

32MB

(1) 4M x 64

None

None

32MB

(1) 2M x 64

(1) 1M x 64

(1) 1M x 64

32MB

(1) 2M x 64

(1) 2M x 64

None

40MB

(1) 4M x 64

(1) 1M x 64

None

40MB

(1) 2M x 64

(1) 2M x 64

(1) 1M x 64

48MB

(1) 4M x 64

(1) 1M x 64

(1) 1M x 64

48MB

(1) 4M x 64

(1) 2M x 64

None

48MB

(1) 2M x 64

(1) 2M x 64

(1) 2M x 64

56MB

(1) 4M x 64

(1) 2M x 64

(1) 1M x 64

64MB

(1) 8M x 64

None

None

64MB

(1) 4M x 64

(1) 2M x 64

(1) 2M x 64

64MB

(1) 4M x 64

(1) 4M x 64

None

72MB

(1) 8M x 64

(1) 1M x 64

None

72MB

(1) 4M x 64

(1) 4M x 64

(1) 1M x 64

80MB

(1) 8M x 64

(1) 1M x 64

(1) 1M x 64

DIMM CONFIGURATION (CON'T)

Size

Bank 0

Bank 1

Bank 2

80MB

(1) 8M x 64

(1) 2M x 64

None

80MB

(1) 4M x 64

(1) 4M x 64

(1) 2M x 64

88MB

(1) 8M x 64

(1) 2M x 64

(1) 1M x 64

96MB

(1) 8M x 64

(1) 2M x 64

(1) 2M x 64

96MB

(1) 8M x 64

(1) 4M x 64

None

96MB

(1) 4M x 64

(1) 4M x 64

(1) 4M x 64

104MB

(1) 8M x 64

(1) 4M x 64

(1) 1M x 64

112MB

(1) 8M x 64

(1) 4M x 64

(1) 2M x 64

128MB

(1) 16M x 64

None

None

128MB

(1) 8M x 64

(1) 4M x 64

(1) 4M x 64

128MB

(1) 8M x 64

(1) 8M x 64

None

136MB

(1) 16M x 64

(1) 1M x 64

None

136MB

(1) 8M x 64

(1) 8M x 64

(1) 1M x 64

144MB

(1) 16M x 64

(1) 1M x 64

(1) 1M x 64

144MB

(1) 16M x 64

(1) 2M x 64

None

144MB

(1) 8M x 64

(1) 8M x 64

(1) 2M x 64

152MB

(1) 16M x 64

(1) 2M x 64

(1) 1M x 64

160MB

(1) 16M x 64

(1) 2M x 64

(1) 2M x 64

160MB

(1) 16M x 64

(1) 4M x 64

None

160MB

(1) 8M x 64

(1) 8M x 64

(1) 4M x 64

168MB

(1) 16M x 64

(1) 4M x 64

(1) 1M x 64

176MB

(1) 16M x 64

(1) 4M x 64

(1) 2M x 64

192MB

(1) 16M x 64

(1) 4M x 64

(1) 4M x 64

192MB

(1) 16M x 64

(1) 8M x 64

None

192MB

(1) 8M x 64

(1) 8M x 64

(1) 8M x 64

200MB

(1) 16M x 64

(1) 8M x 64

(1) 1M x 64

208MB

(1) 16M x 64

(1) 8M x 64

(1) 2M x 64

224MB

(1) 16M x 64

(1) 8M x 64

(1) 4M x 64

256MB

(1) 16M x 64

(1) 8M x 64

(1) 8M x 64

384MB

(1) 16M x 64

(1) 16M x 64

(1) 16M x 64

Note: Board accepts EDO & SDRAM memory.

CACHE CONFIGURATION

Note: 256KB/512KB cache is located on the Pentium II CPU. 128KB cache is located on the Celeron 300A & 333 CPU.

CPU SPEED SELECTION

CPU speed

Clock speed

Multiplier

JP2

JP1A

JP1B

JP1C

JP1D

233MHz

66MHz

3.5x

2 & 3

Open

Open

Closed

Open

266MHz

66MHz

4x

2 & 3

Closed

Closed

Open

Closed

300MHz

66MHz

4.5x

2 & 3

Open

Closed

Open

Closed

300MHz

100MHz

3x

1 & 2

Closed

Open

Closed

Open

333MHz

66MHz

5x

2 & 3

Closed

Open

Open

Closed

350MHz

100MHz

3.5x

1 & 2

Open

Open

Closed

Open

400MHz

100MHz

4x

1 & 2

Closed

Closed

Open

Closed

450MHz

100MHz

4.5x

1 & 2

Open

Closed

Open

Closed

Note: Pins designated should be in the closed position.